简体中文
ENGLISH
关于微电
产品中心
新闻中心
下载中心
客服中心
人力资源
联系我们
公司简介
组织机构
企业文化
总经理致辞
资质荣誉
数显智能仪表
船舶/陆用指针仪表
智能操控
互感器
智能配电
企业新闻
行业新闻
样本下载
在线反馈
用人之道
招聘信息
联系微电
数显智能仪表
直流和单相交流电流表
直流和单相交流电压表
三相电流电压表
频率表
有功功率表
无功功率表
功率因数表/数字百分表
组合表
数字转速表和压力表
多功能仪表
船舶/陆用指针仪表
船(陆)用交直流电流电压表
带报警功能交直流仪表
带并车指令同步表
多功能保护装置
功率表 有带逆功
功率负荷分配器
功率因素表
交、直流绝缘电网监测仪表
频率表
全自动同步装置
特殊定制表
相序保护器
智能操控
开关状态
智能操控
智能照明模块
云智能照明时控器
智能照明调光模块
智能照明输出模块
智能配电
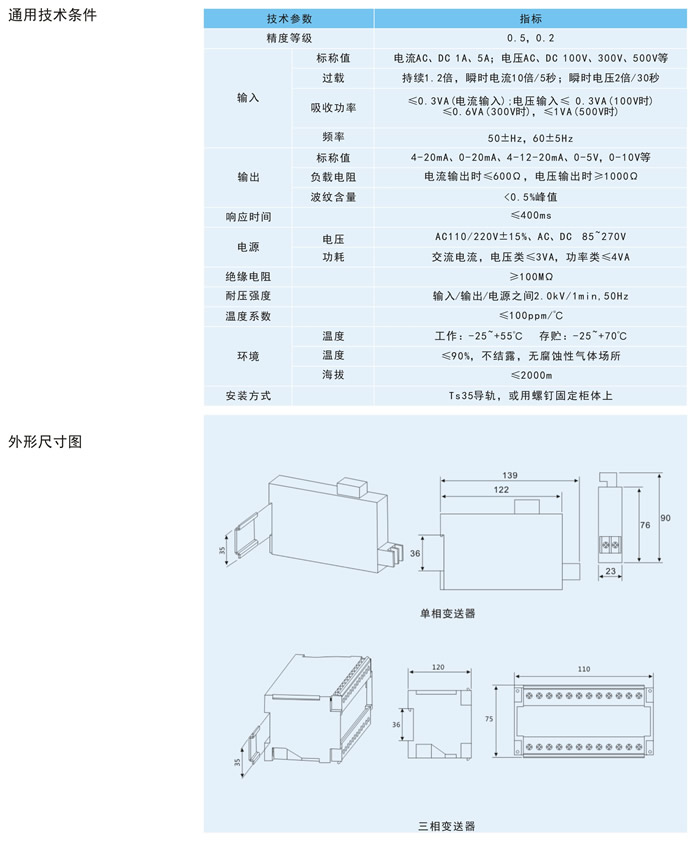
变送器
电压继电器
电流继电器
智能电机保护器
智能温湿度控制器
导轨电能表
地址:湖北省鄂州市葛店经济技术开发区东湖高新智慧城31栋4楼
服务热线:400-688-5582
邮箱:wdlianhe@163.com
网站首页
>
产品中心
>
电量变送器
产 品 说 明
电量变送器
点击数:2670 录入时间:2017-5-22 【
打印此页
】 【
关闭
】
©Copyright 2014~2017
微电联合(湖北)科技有限公司 版权所有.
技术支持:企划部